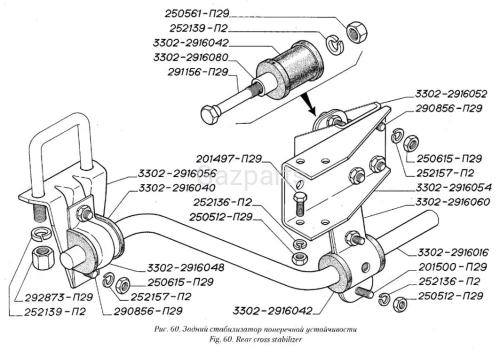
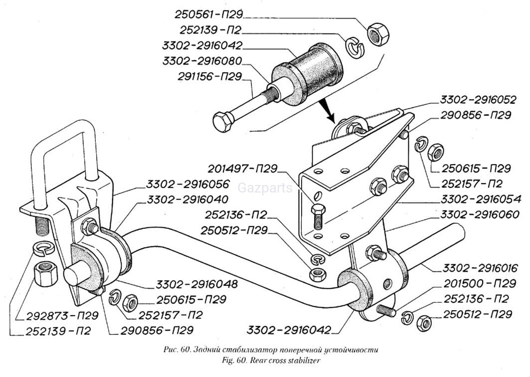
STABILIZATOR OSI TYLNEJ DRĄŻEK GAZELA
0
-
zapytaj o produkt
-
poleć znajomemu
-
Masz jakieś pytania?
Skontaktuj się z nami
+48 338756813