Zapraszamy do kontaktu

od Pon do Pt 8:00-17:00

Zawartość koszyka

Cost delivery:
suma: 0,00 zł
Przejdź do podsumowania

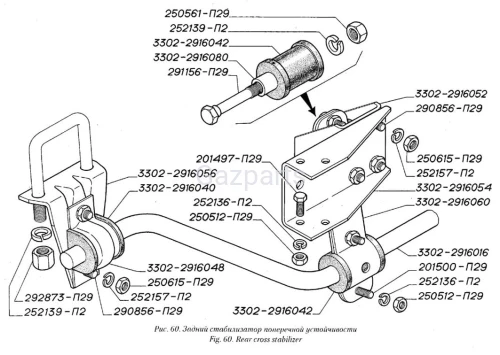
Resory / Stabilizator

RESOR TYLNY 2 PIÓROWY GAZELA PARABOLICZNY N/T RESOR TYLNY 2 PIÓROWY GAZELA PARABOLICZNY N/T
1 039,35 zł netto: 845,00 zł
Dostępność: zapytaj o dostępność
szt.
zobacz więcej
STRZEMIĘ RESORA TYLNEGO (WYS.13,5 CM) STRZEMIĘ RESORA TYLNEGO (WYS.13,5 CM)
47,31 zł netto: 38,46 zł
Dostępność: zapytaj o dostępność
szt.
zobacz więcej
do góry
Sklep jest w trybie podglądu
Pokaż pełną wersję strony
Sklep internetowy Shoper Premium